1 / 5
Olaprixa Industrial
| Customization: | Available |
|---|---|
| Additional Capabilities: | Drying, Auto Weighing |
| After-sales Service: | Engineers Available to Service Machinery Overseas, Free Spare Parts, Online Support, video Technical Support, Yes |
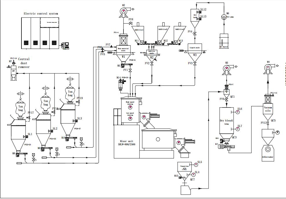
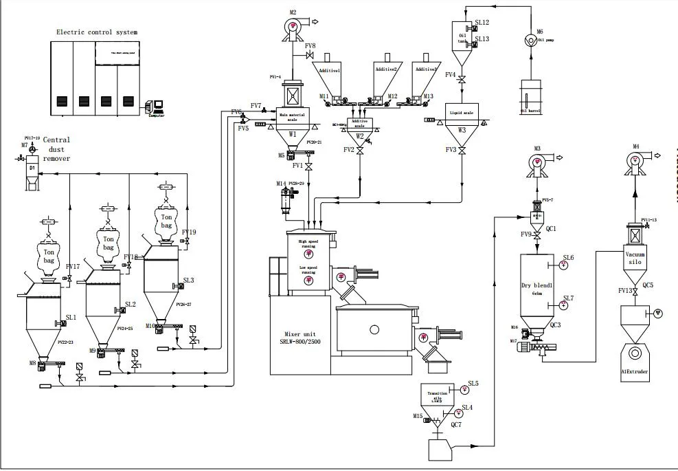
The small additive auto weighing system was developed especially for PVC pipe and profile production to replace manual weighing. It automates the weighing of additives in PVC formulas (besides PVC and CACO3), avoiding manual errors and keeping the workshop clean. This system handles 6-9 kinds of powder or granules additives.



Used for mixing PVC powder, CACO3, and other additives. Essential for material preparation in PVC pipe, profile, SPC flooring, and cable production. The unit includes a hot mixer, cooling mixer, and control cabinet.
| Model | Total volume (L) | Effective Volume (L) | Speed (RPM) | Motor (KW) | Weight (kg) |
|---|---|---|---|---|---|
| SRL-Z100/200 | 100/200 | 65/130 | 650/1300-180 | 14/22-7.5 | 2500 |
| SRL-Z200/500 | 200/500 | 150/320 | 475/950-87 | 30/42/11 | 3600 |
| SRL-Z300/600 | 300/600 | 200/360 | 475/950-87 | 40/55/11 | 4500 |
| SRL-Z500/1000 | 500/1000 | 375/650 | 430/860-60 | 55/75/15 | 5800 |
| SRL-Z800/1600 | 800/1600 | 600/1024 | 357/714-50 | 83/110/22 | 8300 |






Additional Systems:
Screw feeders and vacuum feeder systems are available. Vacuum feeders include dust filters to maintain a clean workshop environment.



Flow Chart & Installation: