Olaprixa Industrial Olaprixa Industrial

Mineral Water Production Machine Ultrafiltration Membrane Water Filtration System UV UF Water Treatment System

Customization: Available
Certification: ISO9001, CE
Salt Rejection Rate: 0

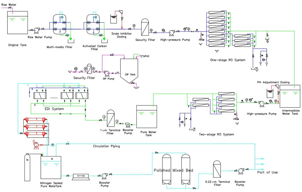
Product Description

Basic Specifications

Model NO.JFUF-6TPH
ApplicationIndustry
Capacity6tph
FrameSs Frame
Pipe MaterialU-PVC/Stainless Steel (Optional)
Raw Water PumpCnp/Nyp/(Optional)
UF MembranePVC/Pan/PVDF (Optional)
Recovery Rate85%
Power0.37-75kw ,380V/50Hz
Tank MaterialSs/ Carbon Steel (Optional)
Transport PackageWooden Case
SpecificationUF membrane
OriginChina
HS Code8421219990

Packaging & Delivery

Package Size145.00cm * 98.00cm * 220.00cm
Package Gross Weight400.000kg

Product Description

Ultrafiltration Membrane Header

Ultrafiltration membrane is a sophisticated membrane separation technology. It functions by allowing water to flow across the membrane surface under specific pressure. Water containing dissolved salts and tiny electrolytes permeates the membrane, while larger molecular weight particles and colloidal substances are effectively blocked and separated.

Water Filtration System
Ultrafiltration Equipment
Separator Line
Operating Pressure0.1-0.3MPa Recovery Rate85%
Frame MaterialSS304/Carbon steel (optional) Pipe MaterialU-PVC/Stainless steel (optional)
UF MembranePVC/PAN/PVDF (optional) Raw Water PumpCNP / NYP (optional)
Tank MaterialSS/ Carbon steel (optional) Water Production0.5-300m³/h

Key Features of Ultrafiltration Equipment

  • Customizable Capacity: High ultrafiltration capacity with specific flow rates tailored to customer needs.
  • Superior Filtration Quality: Produces clear and transparent ultrafiltrate with solid content below 0.45%.
  • Anti-Pollution Performance: Strong resistance to fouling ensures no loss of capacity during extended operation.
  • Efficient Design: Compact structure with low power consumption and high working efficiency for small floor spaces.
  • Automatic Control: Equipped with an intelligent control system for simple and reliable operation.
System Detail 1
System Detail 2
Technical Diagram Process Chart Product Close-up

Frequently Asked Questions

Q1: What is the recovery rate of the JFUF-6TPH ultrafiltration system? A: The system maintains a high recovery rate of approximately 85%, ensuring efficient water usage.
Q2: Can the frame and tank materials be customized? A: Yes, we offer both Stainless Steel (SS304) and Carbon Steel options for frames and tanks to suit different environmental requirements.
Q3: What types of UF membranes are available? A: You can choose from PVC, PAN, or PVDF ultrafiltration membranes based on your specific water treatment needs.
Q4: What is the typical operating pressure for this equipment? A: The standard operating pressure range for the system is between 0.1 and 0.3 MPa.
Q5: Is the system suitable for large-scale industrial applications? A: Absolutely. While the standard model is 6tph, our water production capacity can be customized from 0.5m³/h up to 300m³/h for industrial use.
Q6: How does the system handle potential pollution and fouling? A: The equipment is designed with strong anti-pollution capabilities to prevent loss of ultrafiltration capacity during long-term continuous operation.

Related Products